190-5756-1776
扫码添加客服
联系电话:19057561776
传真FAX:021-57272258
邮箱:ycgear115@163.com
地址: 上海市金山区朱泾镇工业园B区
(R系列)感应电机180W
直角微型减速电机
(R系列)感应电机200W
(R系列)感应电机120W
(R系列)感应电机90W
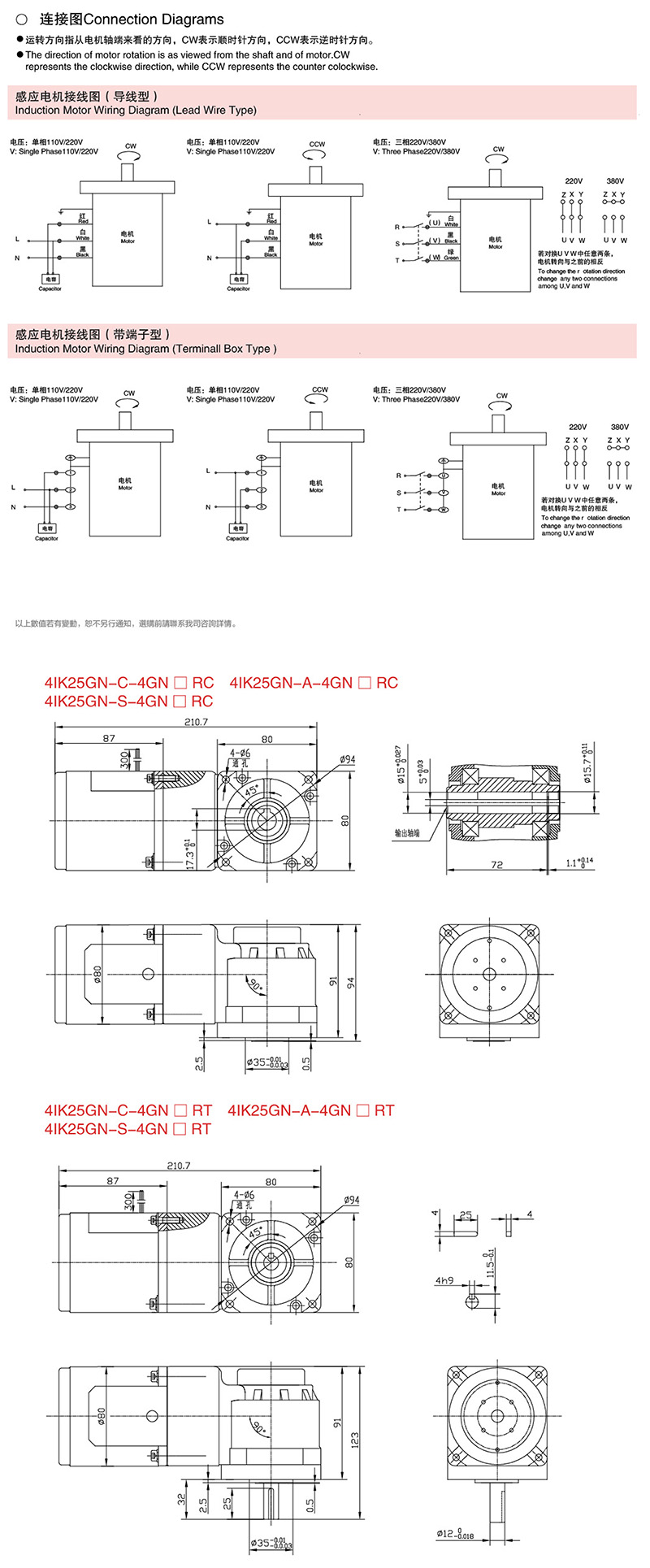
(R系列)感应电机25W